



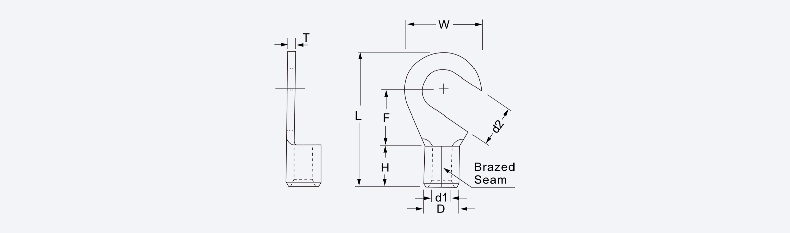
ITEM NO. | STUD SIZE | DIMENSION (mm) | PCS/ | USE THE | EXPLANATION | ||||||||
Metric | American | d2 | W | F | L | H | d1 | D | T | ||||
HHNB1.25-3.7 | 3.5 | #6 | 3.7 | 8.0 | 7.0 | 15.8 | 4.8 | 1.9 | 3.4 | 0.75 | 1000 | HX-101a | End material: Purple copper Wire range:0.5-1.5mm² AW.G.:(26-22) Max.current=19A |
HHNB1.25-4 | 4 | #8 | 4.3 | ||||||||||
HHNB1.25-5 | 5 | #10 | 5.3 | ||||||||||
HHNB1.25-6 | 6 | 1/4" | 6.5 | 11.6 | 11.2 | 21.8 | |||||||
HHNB2-3.7 | 3.5 | #6 | 3.7 | 8.5 | 7.75 | 16.8 | 4.8 | 2.4 | 4.0 | 0.8 | 1000 | HX-101a | End material: Purple copper Wire range:1.5-2.5mm² AW.G.:(16-14) Max.current=27A |
HHNB2-4 | 4 | #8 | 4.3 | ||||||||||
HHNB2-5 | 5 | #10 | 5.3 | 9.5 | 7.5 | 17.1 | |||||||
HHNB2-6 | 6 | 1/4" | 6.5 | 12.0 | 11.0 | 21.8 | |||||||
HHNB5.5-3.7 | 3.5 | #6 | 3.7 | 7.2 | 5.9 | 15.7 | 6.0 | 3.5 | 5.5 | 1.0 | 1000 | HX-101a | End material: Purple copper Wire range:4-6mm² AW.G.:(12-10) Max.current=48A |
HHNB5.5-4 | 4 | #8 | 4.3 | 9.5 | 8.85 | 19.6 | |||||||
HHNB5.5-5 | 5 | #10 | 5.3 | ||||||||||
HHNB5.5-6 | 6 | 1/4" | 6.5 | 12.0 | 10.5 | 22.5 | |||||||
HHNB5.5-8 | 8 | 5/16" | 8.5 | 15.0 | 13.5 | 27.0 | |||||||



