Secure Power, Swift Connections
EN
Nylon-insulated locking spade terminals
HLSNY2-3.7S
Product Certification
Material
Adhering to the goal of striving and the company tenet of "quality first, integrity-based", we provide high-quality products and services to global users.
  • Insulation : Vinyl
  • Terminal Body : Copper
  • Plating:Tin
Certificate
Certificate certification: UL,Rohs, CE, ISO, SGS
Do You Want to Know More About Product Inquiries?
Feel Free to Contact Us Anytime !
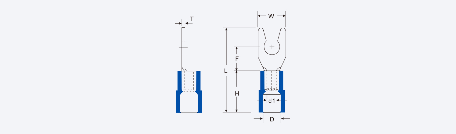
Size Parameter of HLSNY Series
Size Parameter of HLSNY Series

ITEM NO.

STUD SIZE

DIMENSION (mm)

PCS/
PACK

COLOR

USE THE
TOOLS

EXPLANATION

Metric

American

d2

W

F

L

H

d1

D

T

HLSNY1.25-3.7

3.5

#6

3.2

6.4

6.5

22.2

11.0

1.9

4.3

0.75

1000

Red

HX-30J

End material: Purple copper

Insulation material: PA66

Max temperature resistance: 105℃

Wire range:0.5-1.5mm²

A.W.G.:(22-16)

Max.current=19A

HLSNY1.25-4

4

#8

3.7

7.2

HLSNY1.25-5

5

#10

3.7

8.1

HLSNY1.25-5L

5

#10

3.7

9.5

HLSNY2-3.7S

3.5

#6

4.3

6.0

6.5

22.2

11

2.4

4.8

0.8

1000

Blue

HX-30J

End material: Purple copper

Insulation material: PA66

Max temperature resistance: 105℃

Wire range:1.5-2.5mm²

A.W.G.:(16-14)

Max.current=27A

HLSNY2-4

4

#8

4.3

7.2

HLSNY2-4L

4

#8

4.3

8.1

HLSNY2-5S

5

#10

5.3

8.1

HLSNY2-5L

5

#10

5.3

9.5

HLSNY5.5-3.7

3.5

#6

6.5

8.3

7

25.5

13

3.5

6.7

1

500

Yellow

HX-30J

End material: Purple copper

Insulation material: PA66

Max temperature resistance: 105℃

Wire range:4-6mm²

A.W.G.:(12-10)

Max.current=48A

HLSNY5.5-4

4

#8

6.5

8.3

HLSNY5.5-5

5

#10

8.5

9.0

HLSNY5.5-6

6

1/4"

3.2

12.0

12.0 

31.7 

Application Scenarios
Packaging & Transportation
We use customized high-strength packaging, built-in cushioning protection, and professional logistics transportation solutions to ensure the safe and intact delivery of products from the factory to your hands.
We support the following transportation methods:
  • Sea transportation
  • Air transport
  • Land transportation
Related Products