Secure Power, Swift Connections
EN
T Copper Connecting Terminal
T25-10
Product Certification
Material
Adhering to the goal of striving and the company tenet of "quality first, integrity-based", we provide high-quality products and services to global users.
  • Insulation : Vinyl
  • Terminal Body : Copper
  • Plating:Tin
Certificate
Certificate certification: UL,Rohs, CE, ISO, SGS
Do You Want to Know More About Product Inquiries?
Feel Free to Contact Us Anytime !
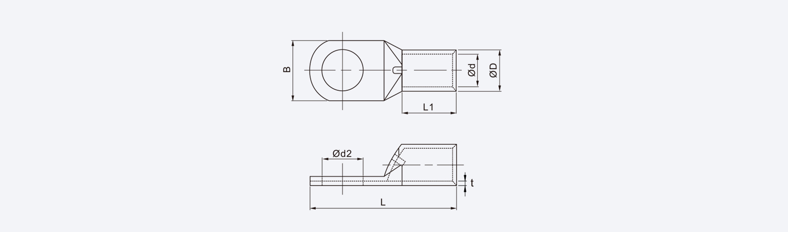
Size Parameter of T Series
Size Parameter of T Series

Type

DIMENSION mm

PCS/PACK

USE THE
TOOLS

EXPLANATION

Φd2

B

L

ΦD

Φd

L1

t

T10-4

4.3

11.9

27.5

6.9

4.7

11.5

1.1

100


End material: Purple copper

Wire range:10mm²

A.W.G.:8

Max.current=70A

T10-5

5.3

T10-6

6.5

T10-8

8.5

13.5

30.5

T10-10

10.5

15

T10-12

13.0

17

34

T16-5

5.3

12

27.5

7.8

5.6

12

1.1

End material: Purple copper

Wire range:16mm²

A.W.G.:6

Max.current=95A

T16-6

6.5

T16-8

8.5

13.5

31

T16-10

10.5

16

32

T16-12

13.0

17

37.5

T25-6

6.5

14

34

9.5

7.1

13.5

1.2

End material: Purple copper

Wire range:25mm²

A.W.G.:4

Max.current=125A

T25-8

8.5

T25-10

10.5

16

37

T25-12

13.0

18

40

T35-6

6.5

16.5

39

11

8.2

16

1.4

End material: Purple copper

Wire range:35mm²

A.W.G.:2

Max.current=170A

T35-8

8.5

T35-10

10.5

16.5

43

T35-12

13.0

18

T35-14

15

20

48

T35-16

17

23

T50-6

6.5

18

45

12.5

9.5

20

1.5

End material: Purple copper

Wire range:50mm²

A.W.G.:1/0

Max.current=230A

T50-8

8.5

T50-10

10.5

49

T50-12

13.0

T50-14

15.0

22

54

T50-16

17.0

25

62

23

T50-20

21

30

68

T70-8

8.5

22

47.6

15

11.5

20

1.75

50

End material: Purple copper

Wire range:70mm²

A.W.G.:2/0

Max.current=265A

T70-10

10.5

51.6

T70-12

13.0

T70-14

15.0

62.6

T70-16

17.0

T70-20

21

30

T95-8

8.5

25

55.8

17

13.5

22

1.75

End material: Purple copper

Wire range:95mm²

A.W.G.:3/0

Max.current=310A

T95-10

10.5

T95-12

13.0

T95-14

15.0

66.8

T95-16

17.0

T95-20

21

28

T120-10

10.5

29

71.5

20

15.6

27

2.2

25

End material: Purple copper

Wire range:120mm²

A.W.G.:4/0

Max.current=360A

T120-12

13.0

T120-14

15.0

T120-16

17.0

T120-20

21

T150-10

10.5

30.6

78

21

16.5

32

2.25

20

End material: Purple copper

Wire range:150mm²

A.W.G.:250/300MCM

Max.current=405A

T150-12

13.0

T150-14

15.0

T150-16

17.0

T150-20

21

T185-10

10.5

34

84

23.6

18.4

34

2.6

20

End material: Purple copper

Wire range:180mm²

A.W.G.:300/350MCM

Max.current=445A

T185-12

13.0

T185-14

15.0

T185-16

17.0

T185-20

21

T240-10

10.5

38.5

90

26.4

21.2

37

2.6

10

End material: Purple copper

Wire range:240mm²

A.W.G.:400MCM

Max.current=545A

T240-12

13.0

T240-14

15.0

T240-16

17.0

T240-20

21

T300-10

10.5

42

96

28.6

23.4

40

2.6


End material: Purple copper

Wire range:300mm²

A.W.G.:500MCM

Max.current=620A

T300-12

13.0

T300-14

15.0

T300-16

17.0

T300-20

21

T400-10

10.5

48

104.7

32.8

26.8

37

3.0


End material: Purple copper

Wire range:400mm²

A.W.G.:600/750MCM

Max.current=690A

T400-12

13.0

T400-14

15.0

T400-16

17.0

T400-20

21

T500-10

10.5

55

115.5

38.4

29.8

46.5

4.3


End material: Purple copper

Wire range:500mm²

A.W.G.:800/1000MCM

Max.current=815A

T500-12

13.0

T500-14

15.0

T500-16

17.0

T500-20

21

T630-10

10.5

64

133.1

44.7

34.5

50

5.1


End material: Purple copper

Wire range:630mm²

A.W.G.:1000/1250MCM

Max.current=935A

T630-12

13.0

T630-14

15.0

T630-16

17.0

T630-20

21

Application Scenarios
Packaging & Transportation
We use customized high-strength packaging, built-in cushioning protection, and professional logistics transportation solutions to ensure the safe and intact delivery of products from the factory to your hands.
We support the following transportation methods:
  • Sea transportation
  • Air transport
  • Land transportation
Related Products